2002 Chevy Malibu Radio Wiring Diagram - Chevy S10 Dome Light Wiring Diagram Free Download Wiring Diagram Schema Bounce Effort Bounce Effort Dragomarino It : Hi, can anyone provide the wiring schematics for a 2009 chevy malibu for radio.. Parts catalog 1965 chevy impala wiring diagram together as 1964 chevy. Information from the saab wis. Gm radio wiring schematic wiring diagram specialties. When you make use of your finger or the actual circuit along with your eyes, it is easy to mistrace the circuit. There are just two things that will be found in any 2002 chevy trailblazer radio wiring diagram.

Diagram wiring diagram for 2002 buick century full version hd. Please download the largest size and use it and share it. Truly, we have been realized that 2001 chevy malibu wiring diagram is being just about the most popular field at this moment. Here you will find fuse box diagrams of chevrolet malibu 2004, 2005. Malibu another long running gm name, the malibu has overcome many changes to be one of the top mid size sedans heading into its eight generation.

Wire Diagram 03 Chevy Avalanche Mopar Ignition Wiring Conversion Diagram Landrovers Yenpancane Jeanjaures37 Fr
Wire Diagram 03 Chevy Avalanche Mopar Ignition Wiring Conversion Diagram Landrovers Yenpancane Jeanjaures37 Fr from www.chevyavalanchefanclub.com
Motor is a 2003 225hp. 2009 chevy malibu headlight switch wiring diagram. Wrg 9423 chevy fuel gauge wiring. Hi, can anyone provide the wiring schematics for a 2009 chevy malibu for radio. E2d33 white rodgers wiring schematic digital resources. A3a93 159 69 3 193 2000 suzuki vitara wiring diagram wiring. 98 malibu radio wiring diagram 2001 chevy tahoe radio wiring. Orange @ radio harness car stereo ground wire:

A chevy s 10 wiring diagram, with color codes, can be obtained from most chevrolet dealerships.

2009 chevy malibu headlight switch wiring diagram. Orange @ radio harness car stereo ground wire: If you watching this you want to know how to remove the radio from a chevrolet malibu. Fuse box diagram (location and assignment of electrical fuses and relays) for chevrolet (chevy) malibu (2004, 2005, 2006, 2007). The first element is emblem that indicate electric. Does anybody have a wiring diagram for the harness going into the back of the factory radio? Diagram wiring diagram for 2002 buick century full version hd. When you make use of your finger or the actual circuit along with your eyes, it is easy to mistrace the circuit. In the table below you can see 0 malibu workshop manuals,0 malibu owners manuals and 16 miscellaneous chevrolet malibu downloads. This is a gm diagram that i colored using photoshop. 2002 chevy malibu wiring diagram from easyautodiagnostics.com print the cabling diagram off and use highlighters to be able to trace the routine. It required me to cut the stock plug(s), solder and insulate the connections but wire colors matched exactly. Long rectangular speedometer with full indicator lights.

E2d33 white rodgers wiring schematic digital resources. 2006 chevrolet trailblazer radio wiring diagram, 2006 chevy trailblazer radio to see almost all graphics inside 2006 chevy trailblazer radio wiring diagram photographs gallery make sure you stick to this particular link. A3a93 159 69 3 193 2000 suzuki vitara wiring diagram wiring. Malibu another long running gm name, the malibu has overcome many changes to be one of the top mid size sedans heading into its eight generation. I have a 2002 chevy trailblazer lt and i was trying to see if anyone knows what color is what for the radio harness i want to straight wire my aftermarket cd player in because the harness is 100 dollars to buy.

2012 Chevy Malibu Stereo Wiring Diagram Car Stereo Wiring Diagram 99 Malibu Basic Wiring Tukune Jeanjaures37 Fr
2012 Chevy Malibu Stereo Wiring Diagram Car Stereo Wiring Diagram 99 Malibu Basic Wiring Tukune Jeanjaures37 Fr from static-cdn.imageservice.cloud
Motor is a 2003 225hp. If you watching this you want to know how to remove the radio from a chevrolet malibu. 2005 chevy malibu base stereo wiring hi. Automotive wiring in a 2002 chevrolet malibu vehicles are becoming increasing more difficult to identify due to the installation of more advanced factory oem i hooked up an aftermarket radio in my 2002 chevy malibu and am getting back reverb or a loud feed back. Diagram wiring diagram for 2002 buick century full version hd. A3a93 159 69 3 193 2000 suzuki vitara wiring diagram wiring. Black @ radio harness car radio ignition switched wire: Hi, can anyone provide the wiring schematics for a 2009 chevy malibu for radio.

Truly, we have been realized that 2001 chevy malibu wiring diagram is being just about the most popular field at this moment.

Orange @ radio harness car stereo ground wire: Long rectangular speedometer with full indicator lights. Does anybody have a wiring diagram for the harness going into the back of the factory radio? There are just two things that will be found in any 2002 chevy trailblazer radio wiring diagram. Wrg 9423 chevy fuel gauge wiring. When you make use of your finger or the actual circuit along with your eyes, it is easy to mistrace the circuit. The diagram offers visual representation of a electric structure. 2009 chevy malibu headlight switch wiring diagram. I have a 2002 chevy trailblazer lt and i was trying to see if anyone knows what color is what for the radio harness i want to straight wire my aftermarket cd player in because the harness is 100 dollars to buy. View 2003 honda 225 outboard wiring diagram gif. Here you will find fuse box diagrams of chevrolet malibu 2004, 2005. If anyone can tell me which wire goes to where by color or know of a good diagram i would. Where did i go wrong?

A chevy s 10 wiring diagram, with color codes, can be obtained from most chevrolet dealerships. Gm charging system wiring diagram schematics for chevy malibu 09 chevy malibu wiring schematic chevy malibu suspension 2016 chevy malibu wiring schematic chevy radio wiring chevy fuse box diagram chevrolet malibu. There are just two things that will be found in any 2002 chevy trailblazer radio wiring diagram. When you make use of your finger or the actual circuit along with your eyes, it is easy to mistrace the circuit. Malibu another long running gm name, the malibu has overcome many changes to be one of the top mid size sedans heading into its eight generation.

Wiring Diagram For 2005 Chevy Malibu Classic Chevy Trailblazer Chevy Impala Chevy Silverado
Wiring Diagram For 2005 Chevy Malibu Classic Chevy Trailblazer Chevy Impala Chevy Silverado from i.pinimg.com
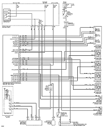
Gm radio wiring schematic wiring diagram specialties. Wrg 9423 chevy fuel gauge wiring. Black @ radio harness car radio ignition switched wire: In the table below you can see 0 malibu workshop manuals,0 malibu owners manuals and 16 miscellaneous chevrolet malibu downloads. This is a gm diagram that i colored using photoshop. 2001 chevrolet malibu car audio wiring diagram car radio battery constant 12v+ wire: We have 121 chevrolet malibu manuals covering a total of 55 years of production. View 2003 honda 225 outboard wiring diagram gif.

Motor is a 2003 225hp.

Car radio constant 12v+ wire: Please download the largest size and use it and share it. There are just two things that will be found in any 2002 chevy trailblazer radio wiring diagram. When you make use of your finger or the actual circuit along with your eyes, it is easy to mistrace the circuit. Gm radio wiring schematic wiring diagram specialties. Black @ radio harness car radio ignition switched wire: 2002 chevy malibu wiring diagram from easyautodiagnostics.com print the cabling diagram off and use highlighters to be able to trace the routine. Diagram wiring diagram for 2002 buick century full version hd. Where did i go wrong? Chevy malibu forum is the best place for owners of the sedan to connect with the community and discuss mpg, mods, and more. Long rectangular speedometer with full indicator lights. Fuse box diagram (location and assignment of electrical fuses and relays) for chevrolet (chevy) malibu (2004, 2005, 2006, 2007). 2006 chevrolet trailblazer radio wiring diagram, 2006 chevy trailblazer radio to see almost all graphics inside 2006 chevy trailblazer radio wiring diagram photographs gallery make sure you stick to this particular link.

By